Skip to content
+375 (29)155-88-88
info@svetelektro.by
Instagram
Время работы : с 9-00 до 17-00
Корзина
0
Корзина
Категории
Главная
Каталог
Контакты
Схема проезда
Оформление заказа
Главная
/
Новые товары
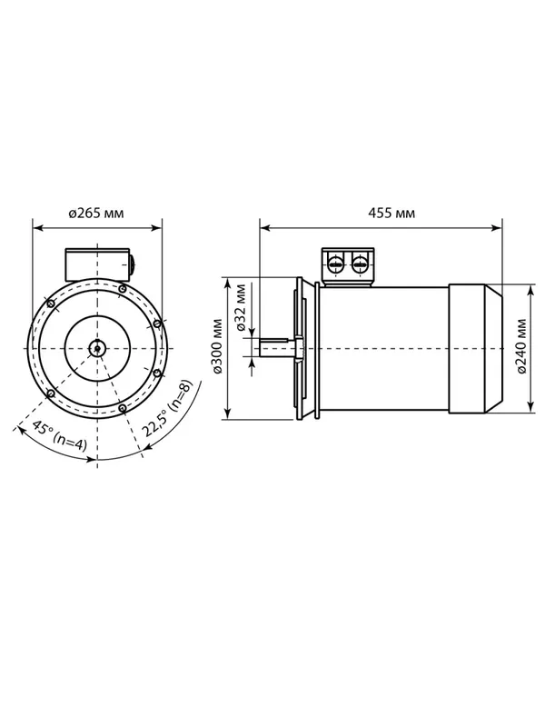
/ Электродвигатель АИР 112M4 3ф 5,5 кВт 1500 об/мин 3081 TDM
Электродвигатель АИР 112M4 3ф 5,5 кВт 1500 об/мин 3081 TDM
Артикул:
SQ3001-0118
Категория:
Новые товары
Бренд:
TDM ELECTRIC
Похожие
Патч-корд народный U/UTP Cat 5e 4PR 24AWG PVC, литой 0,5 м, серый
Подробнее
Устройство защитного отключения ВД1-63 2Р 50А 500мА TDM
Подробнее
Патч-корд народный U/UTP Cat 5e 4PR 24AWG PVC, литой 1 м, серый
Подробнее