Детали
| Защитный круглый контакт заземления | да |
|---|---|
| Вид/марка материала | прочее |
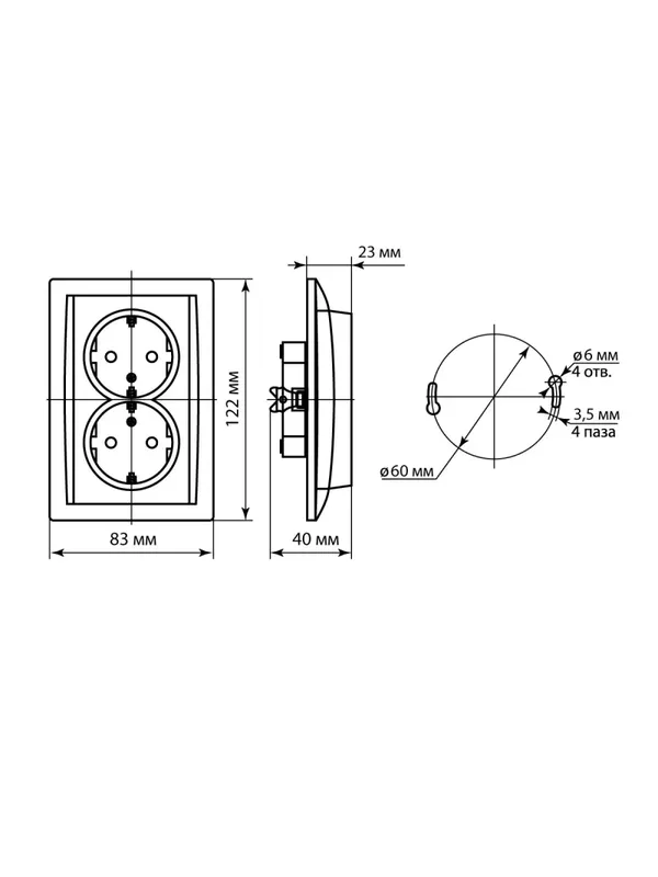
| Высота устройства, мм | 118 |
| Декоративное оформление | декор по эскизу |
| Защита от перенапряжения | да |
| Защитное покрытие поверхности | прочее |
| Количество модулей (для модульных серий) | 2 |
| Количество постов (мест) | 2 |
| Количество фаз | 2 |
| Материал | пластик |
| Модель/исполнение | с заземляющим контактом |
| Номин. ток, А | 10 |
| Подхватывание фазы | нет (без) |
| Подходит для степени защиты (IP) | ip20 |
| С проходными функциями | да |
| Символы/индикация | без надписи/печати |
| Способ подключения | винтов. зажим/клемма |
| Тип комплектации | в сборе с корпусом |
| Тип поверхности | глянцевый |
| Ударопрочность по стандарту EN 50102 | ik00 |
| Цвет | черный |
| Цвет по RAL | 9 005 |
| Частота, Гц | 10…50 |
| Способ монтажа | скрытой установки |
| Защита контактов | да |
| Тип крепления | в распор (лапками) и винтами |
| Ширина устройства, мм | 83 |
| Глубина устройства, мм | 40 |
| Лицевая накладка | в сборе с корпусом |
| Номин. напряжение, В | 50…250 |
| Специальное питание | не требует специального питания |












